堡盟 Baumer CFDK 25G1125/LN4(货号:11076814)是一款电容式接近传感器,额定感应距离 8 mm。
• 额定感应距离为8 mm
• 输出电路为推挽式
• 常开
• 电缆 PVC 3 x 0,14, 2 m
• 工作温度 -25 … 75 °C
• 防护等级 IP 65。

(1)基本参数 | |||
| 额定感应距离 Sn: | 8 mm | 安装方式: | 齐平 |
| 接地电极: | 无 | 温漂: | ±20% |
| 灵敏度调节: | 无 | 输出指示灯: | 红色LED |
| 测量类型: | 非接触式 | ||
(2)应用领域 | |||
| 检测非导电介质: | 是 | 透过容器壁检测物位: | 是 |
| 直接接触液体: | 无 | 目标物有无检测 / 散装货物: | 是 |
(3)电气参数 | |||
| 电源电压范围 +Vs: | 10 … 30 VDC | 最大电流消耗(无负载): | 15 mA |
| 输出功能: | 高电平有效 | 输出电路: | 推挽式 |
| 输出电流: | 100 mA | 压降 Vd: | <3 VDC |
| 开关频率: | 35 Hz | 短路保护: | 是 |
| 反极性保护: | 是 | ||
(4)机械参数 | |||
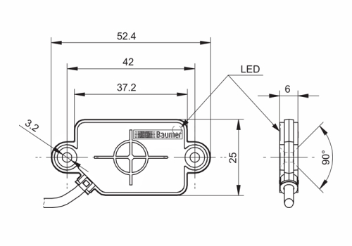
| 类型: | 矩形 | 外壳材质: | PA 12 |
| 尺寸: | 25 mm | 外壳长度: | 52,4 mm |
| 深度: | 6 mm | 连接方式: | PVC电缆,3 x 0.14,2 m |
(5)环境条件 | |||
| 工作温度: | -25 … +75 °C | 防护等级: | IP 65 |
| 尺寸图 | 接线图 |
![]() | ![]() |
(1)电感式接近开关
• Baumer IFFM 12N17A3/S05L
• Baumer IFRM 12N1701/L
• Baumer IFFM 08N37A6/L
• Baumer IFRM 08P17A1/S35L
• Baumer IFRM 08P17A1/KS35L
• Baumer IGYX 08N17B3/L
• Baumer IR06.P02F-F40.NO1Z.7SCV
• Baumer IFRM 18N17A3/L
• Baumer IFRM 12N1701/L
• Baumer IR08.P03S-F40.NO1Z.7SCV
• Baumer IFRM 03P1713/QL
• Baumer IFRM 04P15B1/L
• Baumer IFRM 04P15B1/KS35PL
(2)其它开关
• Baumer CFDK 25G1125/LN4 电容式接近传感器
• Baumer MY-COM F30/80 精密开关
• Baumer MY-COM A100/80 精密开关