堡盟 Baumer IFRM 08P17A1/S35L(货号:10138749)是一款微型电感式接近开关,额定感应距离 2 mm。
• 感应距离为2 mm
• PNP 常开 (NO)
• M8 接头
• 工作温度为-25 … 75 °C
• 防护等级为 IP 67。

(1)基本参数 | |||
| 安装方式: | 齐平 | 额定感应距离 Sn: | 2 mm |
| 迟滞: | 3 … 20 % Sr | 输出指示灯: | 3端点红色LED |
(2)电气参数 | |||
| 开关频率: | 5 kHz | 电源电压范围 +Vs: | 6 … 36 VDC |
| 最大电流消耗(无负载): | 12 mA | 输出电路: | PNP常开 |
| 压降 Vd: | <2 VDC | 输出电流: | 200 mA |
| 短路保护: | 是 | 反极性保护: | 是 |
(3)机械参数 | |||
| 类型: | 圆柱形,螺纹版 | 感应面材质: | PBT |
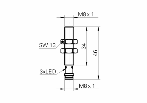
| 外壳材质: | 不锈钢 | 尺寸: | 8 mm |
| 外壳长度: | 46 mm | 连接方式: | M8 接头 |
| 最大紧固扭矩: | 10 Nm (Front: 7 Nm) | ||
(4)环境条件 | |||
| 工作温度: | -25 … +75 °C | 防护等级: | IP 67 |
| 尺寸图 | 接线图 |
![]() | ![]() |
| 3D 模型 | |
![]() |
(1)电感式接近开关
• Baumer IFFM 12N17A3/S05L
• Baumer IFRM 12N1701/L
• Baumer IFFM 08N37A6/L
• Baumer IFRM 08P17A1/S35L
• Baumer IFRM 08P17A1/KS35L
• Baumer IGYX 08N17B3/L
• Baumer IR06.P02F-F40.NO1Z.7SCV
• Baumer IFRM 18N17A3/L
• Baumer IFRM 12N1701/L
• Baumer IR08.P03S-F40.NO1Z.7SCV
• Baumer IFRM 03P1713/QL
• Baumer IFRM 04P15B1/L
• Baumer IFRM 04P15B1/KS35PL
(2)其它开关
• Baumer CFDK 25G1125/LN4 电容式接近传感器
• Baumer MY-COM F30/80 精密开关
• Baumer MY-COM A100/80 精密开关