堡盟 Baumer FHDK 04G6101(货号:10162790)是一款微型背景抑制型漫反射式传感器,感应距离 30 mm ±2 mm。
• 类型为背景抑制型
• 感应距离为30 mm ±2 mm
• 脉冲点光源LED
• 推挽
• 电缆,3针,2 m
• 工作温度 -10 … 50 °C
• 防护等级 IP 65

(1)基本参数 | |||
| 类型: | 背景抑制型 | 感应距离 Tw: | 30 mm ±2 mm |
| 调节/镜头受污指示灯: | 闪烁的指示灯 | 指示灯: | 黄色LED |
| 光束直径: | 2 mm | 交互影响抑制: | 是 |
(2)光源 | |||
| 光源: | 脉冲点光源LED | 波长: | 660 nm |
(3)电气参数 | |||
| 响应时间 / 释放时间: | < 0,5 ms | 电源电压范围 +Vs: | 11 … 30 VDC |
| 最大电流消耗(无负载): | 30 mA | 典型电流消耗: | 20 mA |
| 压降 Vd: | <2 VDC | 输出功能: | 亮通功能 |
| 输出电路: | 推挽式 | 输出电流: | 50 mA |
| 短路保护: | 是 | 反极性保护: | 是,仅电源 |
(4)机械参数 | |||
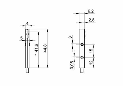
| 宽度 / 直径: | 4 mm | 高度 / 长度: | 44,8 mm |
| 深度: | 6,2 mm | 类型: | 矩形 |
| 外壳材质: | 塑料(ASA) | 前端光学元件: | PMMA |
| 连接方式: | 2米直接出线,3针 | ||
(5)环境条件 | |||
| 防护等级: | IP 65 | 工作温度: | -10 … +50 °C |
| 尺寸图 | 接线图 |
![]() | ![]() |
(1)背景抑制型漫反射式传感器
• Baumer O300.GP-PV1T.72N
• Baumer O300.GR-GW1T.72N
• Baumer O300.GP-GW1B,72CU
• Baumer O300.GL-NV1T.72CU
• Baumer O300H.GL-GW1J.PVCV
• Baumer O200.GP-NV1T.72CV
• Baumer O200.GP-GW1J.72CV
• Baumer O330.GP-NLNVT.72ZV/H006_T013
• Baumer O330.GP-NLNVT.72ZV/E022_H006_T003
• Baumer FHDK 04G6101
• Baumer OHDK 10P5101/S35A
• Baumer FHDK 14P5104/S35A
• Baumer FHDK 07N6901
(2)反射板式传感器
• Baumer O300.RP-NV1T.72N
• Baumer O300.RP-GW1B.72N
• Baumer O300.RR-GL1Z.72N
• Baumer O200.SP-GW1J.72NV
• Baumer O200.SP.T-GW1J.72CV/H006
• Baumer O200.SP.T-GW1J.72NV
• Baumer FPDK 14P5101/S35A
(3)对射式传感器
• Baumer O200.TR-ZZZX.72CV
• Baumer O200.ER-NV1Z.72CV
• Baumer FSDK 10D9601/S35A
(4)电感式传感器
• Baumer IFRH 18P1501/L