堡盟 Baumer O200.TR-ZZZX.72CV(货号:11210548)是一款微型对射式传感器,实际感应范围为5 m。
• 具有发射器
• 类型为对射式传感器
• 实际感应范围5 m
• 脉冲红光LED
• 光滑套筒 (不锈钢)
• 电缆,4针,2 m
• 工作温度 -25 … 50 °C
• 防护等级 IP67
• 型号为 O200.TR-ZZZX.72CV。

(1)基本参数 | |||
| 类型: | 对射式传感器 | 发射器 / 接收器: | 发射器 |
| 光源: | 脉冲红光LED | 实际感应范围 Sb: | 5 m |
| 额定感应范围 Sn: | 6 m | 上电指示灯: | 绿色LED |
| 波长: | 644 nm | 光轴校准: | < 1.5° |
(2)电气参数 | |||
| 电源电压范围 +Vs: | 10 … 30 VDC | 最大电流消耗(无负载): | 20 mA (@ 30 VDC) |
| 典型电流消耗: | 16 mA (@ 24 VDC) | 反极性保护: | 是 |
(3)机械参数 | |||
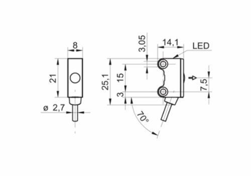
| 宽度 / 直径: | 8 mm | 高度 / 长度: | 25,1 mm |
| 深度: | 14,1 mm | 类型: | 矩形 |
| 机械安装: | 光滑套筒 (不锈钢) | 外壳材质: | 塑料(ASA、PMMA) |
| 前端光学元件: | PMMA | 连接方式: | 2米直接出线,4针 |
| 电缆特性: | PVC / PVC 4 x 0.08 mm² | ||
(4)环境条件 | |||
| 工作温度: | -25 … +50 °C | 防护等级: | IP 67 |
| 尺寸图 | 接线图 |
![]() | ![]() |
| 典型光束特性 | 超增益曲线 |
![]() | ![]() |
(1)背景抑制型漫反射式传感器
• Baumer O300.GP-PV1T.72N
• Baumer O300.GR-GW1T.72N
• Baumer O300.GP-GW1B,72CU
• Baumer O300.GL-NV1T.72CU
• Baumer O300H.GL-GW1J.PVCV
• Baumer O200.GP-NV1T.72CV
• Baumer O200.GP-GW1J.72CV
• Baumer O330.GP-NLNVT.72ZV/H006_T013
• Baumer O330.GP-NLNVT.72ZV/E022_H006_T003
• Baumer FHDK 04G6101
• Baumer OHDK 10P5101/S35A
• Baumer FHDK 14P5104/S35A
• Baumer FHDK 07N6901
(2)反射板式传感器
• Baumer O300.RP-NV1T.72N
• Baumer O300.RP-GW1B.72N
• Baumer O300.RR-GL1Z.72N
• Baumer O200.SP-GW1J.72NV
• Baumer O200.SP.T-GW1J.72CV/H006
• Baumer O200.SP.T-GW1J.72NV
• Baumer FPDK 14P5101/S35A
(3)对射式传感器
• Baumer O200.TR-ZZZX.72CV
• Baumer O200.ER-NV1Z.72CV
• Baumer FSDK 10D9601/S35A
(4)电感式传感器
• Baumer IFRH 18P1501/L