堡盟 Baumer O300.DL-GM1J.72N (货号:11199079)是一款激光测距传感器,测距范围为30 … 250 mm。
• 类型:测量距离
• 测距范围:30 … 250 mm
• 脉冲红色激光二极管
• 推挽
• 自学习和IO-Link
• M8接头,4针
• -10 … 60 °C
• IP 67
• 型号:O300.DL-GM1J.72N
•货号:11199079

(1)基本参数 | |||
| 类型: | 距离测量 | 版本: | IO-Link测量 |
| 测量距离 Sd: | 30 … 250 mm | 焦距: | 400 mm |
| 调节: | 自学习和IO-Link | 上电指示灯: | 绿色LED |
| 指示灯: | 黄色LED | 分辨率: | 500 … 10000 µm |
| 线性误差: | ± 1,5 … 12,5 mm | 光束类型: | 点激光 |
| 交互影响抑制: | 是 | 光轴校准: | < 2° |
| 温漂: | < 0.2% Sde/K | ||
(2)光源 | |||
| 光源: | 脉冲红色激光二极管 | 波长: | 656 nm |
| 激光等级: | 1 | ||
(3)电气参数 | |||
| 响应时间 / 释放时间: | < 0,25 ms | 电源电压范围 +Vs: | 11 … 30 VDC |
| 最大电流消耗(无负载): | 30 mA | 压降 Vd: | <2,5 VDC |
| 输出电路: | 推挽式 | 输出电流: | 100 mA |
| 短路保护: | 是 | 反极性保护: | 是 |
(4)通信接口 | |||
| 接口: | IO-Link V1.1 | 波特率: | 230.4 kBaud (COM3) |
| 周期时间: | ≥ 0,6 ms | 过程数据长度: | 3个字节 |
| 过程数据结构: | 位0 = BDC1 位2 = 质量 位3 = 报警 位8-23 = 16位测量值 | ||
(5)机械参数 | |||
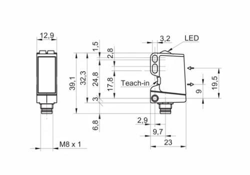
| 宽度 / 直径: | 12,9 mm | 高度 / 长度: | 32,3 mm |
| 深度: | 23 mm | 类型: | 矩形 |
| 外壳材质: | 塑料(ASA、PMMA) | 前端光学元件: | PMMA |
| 连接方式: | M8 接头,4针 | ||
(6)环境条件 | |||
| 防护等级: | IP 67 | 工作温度: | -10 … +60 °C |
| 尺寸图 | 接线图 |
![]() | ![]() |
| 针角定义 | 典型光束特性 |
![]() | ![]() |
| 激光警告 | 3D 模型 |
![]() | ![]() |
| 分辨率 | |
![]() |
相关产品推荐
(1)测距传感器
• Baumer OM70-P0070.HH0048.VI
• Baumer OM30-P0350.HV.YUN
• Baumer OM30-L0350.HV.YUN
• Baumer OM30-P0100.HV.TXN
• Baumer OM30-P0550.HV.YIN
• Baumer OM20-P0120.HH.TXN
• Baumer OM20-P0120.HH.YUN
• Baumer O300.DL-GM1J.72N
(2)超声波测距传感器
• Baumer UNAM 12U9912/S14
• Baumer UNDK 10P8914
• Baumer UNDK 09U6914/D1
• Baumer UNAM 12U9912/S14
• Baumer UNAM 12I9912/S14
• Baumer U300.D50-DPMJ.72N
(3)电感式测距传感器
• Baumer IWRM 30U9501
• Baumer IWRM 30I9501